особенность:
. Доступны различные электронные компоненты: разнообразие электронных компонентов, резисторы, конденсаторы, катушки индуктивности, диоды, интегральные схемы, разъемы для наушников, кнопки, ..., разнообразие базовых компонентов.
2. Электронное обучение.
3. Практические способности.
4. Он особенно подходит для студентов, занимающихся сваркой эпоксидных печатных плат, чтобы заменить общий картон!
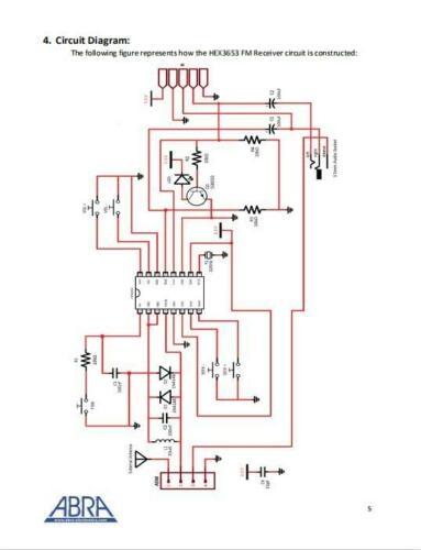
Диапазон частот: FM 76-108 МГц
Технология тюнера: DAB
Преимущество:
Для энтузиастов электроники или студентов, изучающих электронику, расположение элементов оптимизировано специально для начинающих. Этот пакет прост в изготовлении и имеет высокий уровень успешности установки! Поскольку он использовался во многих школах, мы знаем его эффективность.. Этот комплект намного веселее, чем просто сборка, его веселее настраивать своими руками и проволокой катушку, чем другие простые сборочные комплекты.. Основным преимуществом использования наушников также является шум занятий студентов.
Особенности и применение:
FM-радиопрограммы имеют насыщенное и хорошее качество звука, . Почувствуйте, как вы открываете свою собственную FM-радиостанцию. Этот комплект карманного компьютера с FM-радио использует специальный блок, плоский двойной корпус с 16 контактами, а рабочее напряжение составляет 0,8–3,6 В.. Схема включает в себя все функции FM-радиоприемника, выводящего звуковые сигналы с антенны на частотный детектор, а также имеет схему настройки поиска, схему обнаружения сигналов и тому подобное.. Схема отключения звука и схема FLL с частотной блокировкой сжимают частотную компенсацию. Если частота цепи рассчитана на 70 кГц, то в периферийной цепи нет трансформатора промежуточной частоты.. Если фильтрация завершена, частота будет определяться внутренней RC-цепью.. Самолеты, такие как цифровые радиотюнеры, используют электронные кнопки настройки(ИСКАТЬ+, ИСКАТЬ-) в дополнение к кнопкам регулировки громкости(ВОЛ+, ВО-). и кнопка питания( для PW). После включения цепи нажмите кнопку питания, схема начнет работать, нажмите SEEK+ для поиска высокой частоты или низкого уровня, нажмите SEEK-RF для поиска. Автоматический поиск радиосигналов, настройка автоматически прекращается, если схема продолжает поиск радиостанций, нажмите кнопку поиска. Диапазон частот 76-108 МГц. Он может не только принимать общие FM-радиостанции, но и принимать школьные радиостанции кампуса.. объем-). и кнопка питания( для PW). После включения цепи нажмите кнопку питания, схема начнет работать, нажмите SEEK+ для поиска высокой частоты или низкого уровня, нажмите SEEK-RF для поиска. Автоматический поиск радиосигналов, настройка автоматически прекращается, если схема продолжает поиск радиостанций, нажмите кнопку поиска. Диапазон частот 76-108 МГц. Он может не только принимать общие FM-радиостанции, но и принимать школьные радиостанции кампуса.. объем-). и кнопка питания( для PW). После включения цепи нажмите кнопку питания, схема начнет работать, нажмите SEEK+ для поиска высокой частоты или низкого уровня, нажмите SEEK-RF для поиска. Автоматический поиск радиосигналов, настройка автоматически прекращается, если схема продолжает поиск радиостанций, нажмите кнопку поиска. Диапазон частот 76-108 МГц. Он может не только принимать общие FM-радиостанции, но и принимать школьные радиостанции кампуса.. Настройка прекращается автоматически, затем, если схема продолжает поиск радиостанций, нажмите кнопку поиска. Диапазон частот 76-108 МГц. Он может не только принимать общие FM-радиостанции, но и принимать школьные радиостанции кампуса.. Настройка прекращается автоматически, затем, если схема продолжает поиск радиостанций, нажмите кнопку поиска. Диапазон частот 76-108 МГц. Он может не только принимать общие FM-радиостанции, но и принимать школьные радиостанции кампуса.
В коплект входит:
набор электронных конструкторов своими руками